Image Release Note 0016: NCAP Upload

Summary
This release is largely dedicated to material from the Directorate of Overseas Surveys (DOS), with near-complete coverage of Botswana, a British colony until 1966. The imagery spans from the 1950s through the 1980s, capturing the region during a pivotal period of colonial transition, independence, and post-colonial development.
The systematic and repeated survey approach of the DOS provides a rare longitudinal view of land use, settlement expansion, and environmental change across Botswana's largely flat landlocked landscape of desert. This makes the collection an invaluable resource for researchers studying political, social, and ecological transformations in the region.
Additionally, this release includes coverage of neighbouring Zambia, as well as a sortie flown over Bahrain in 1991.
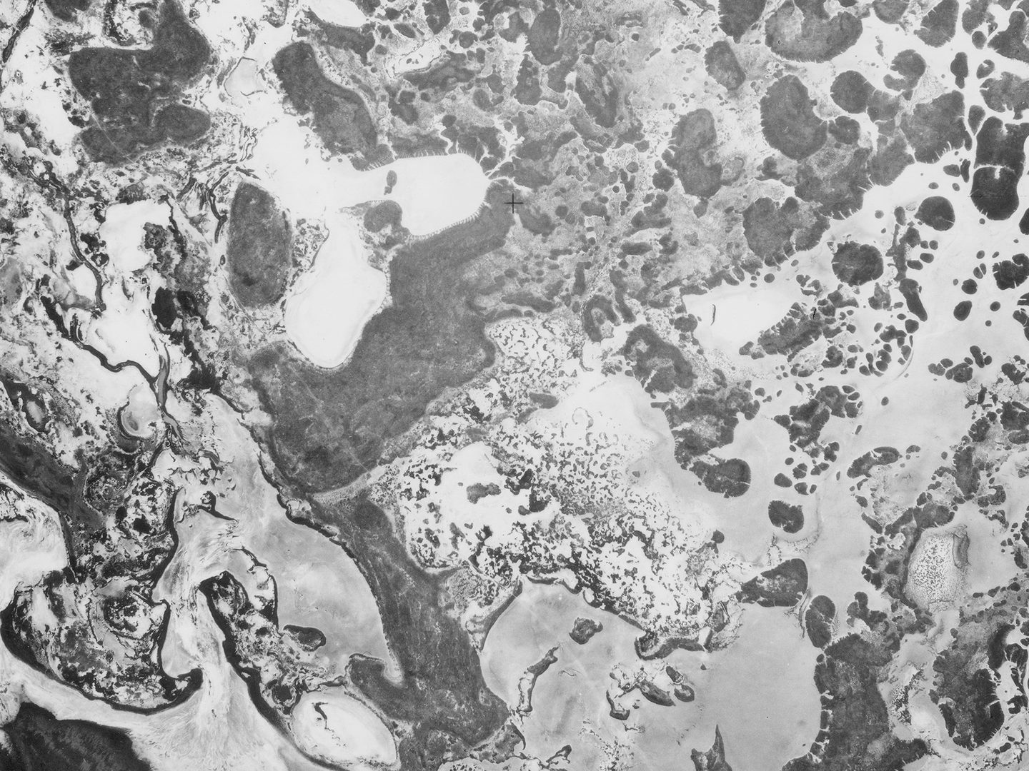
Image caption: The Sua Salt Pan, Botswana; Collection: DOS, Sortie: 4/BC/0103, Frame: 0064 (05 July 1951).
| Release Extent | |
|---|---|
| New Sorties | 292 |
| New Frames | 34,291 |
| Date Range | 1950s-1990s |
| Collection Detail | ||
|---|---|---|
| DOS | 291 sorties | 33,992 frames |
| AIRBUS | 1 sortie | 299 frames |
| Geographical Coverage | ||
|---|---|---|
| Bahrain | Ghana | South Africa |
| Botswana | Namibia | Zimbabwe |


